HEINZMANN Company Group

HEINZMANN
Engine & Turbine Management

HEINZMANN Electric Drives
Robust electric motors

REGULATEURS EUROPA
Control & Monitoring

HEINZMANN China
Control & Actuation

HEINZMANN Automation
Marine Automation

HEINZMANN Australia
Steam Turbine Control

CPK Automotive
Emission Control

Giro Engineering
Diesel Engine Components

HEINZMANN IFT GmbH
Oil Mist Separators and Blow-by Filter Technology

HEINZMANN UK

Optimal control technology for gas turbines

The need for an efficient high energy ignition system has grown with the rapid development of burner technology. Lean mixtures, variable gas sources, and lower emissions require a more powerful but reliable ignition source.

Avoiding vacuum tubes, the IC design of the system achieves a far better spark than anything previously seen in the market.

loading...

PROMETHEUS Ignition System for gas turbines

PROMETHEUS Ignition System for gas turbines

PROMETHEUS is an igniter power system for gas turbines. Used in conjunction with standard surface effect spark plugs it produces an intense spark twice a second while energised from a nominal 24 VDC battery power supply. Energy conversion and utilisation in the spark plug is very high and compared with alternative systems. The spark projects further out from the tip of the plug providing more successful ignition considering air fuel ratio and pressure. This is especially true on liquid fuelled turbines with pressure atomised burner nozzles.

Technical data

  • Total output: 2000 V / 16 Joules
  • Power supply: Nominal 24 VDC battery
  • Connections: 4 for plugs

 More information

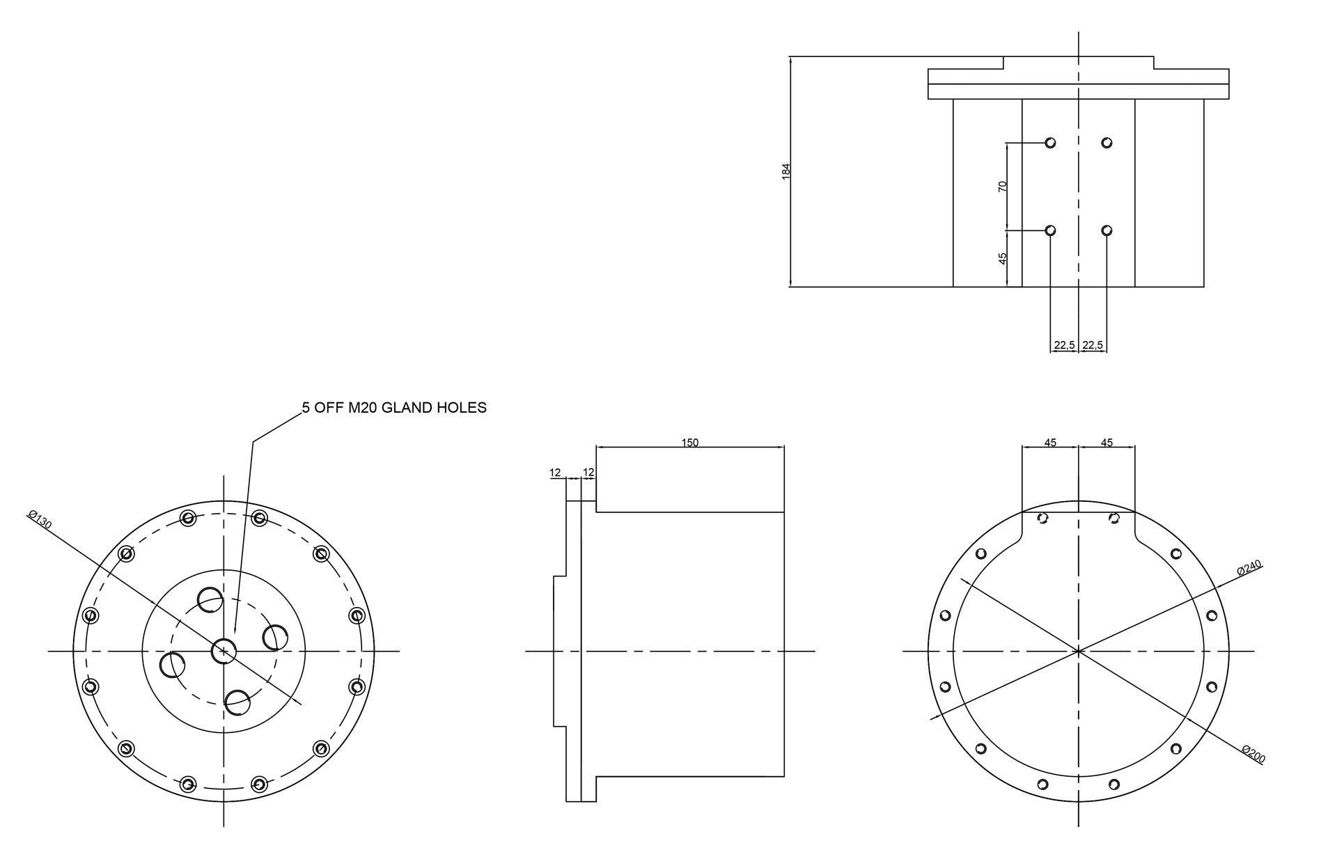
Technical Drawing

Data Sheet

 

 

  • Certified flameproof for installation in Zone 1 hazardous areas (all gas groups).
  • Access for connection of supply and HT cables is provided by screw terminals after removing a screw down domed upper casing. This avoids the need for inconvenient and expensive electrical connections in the external HT cable.

We use cookies on our website. However, non-essential cookies (e.g. tracking cookies) are only set if you consent to their use. We point out that in connection with these cookies, your personal data may be transferred to US service providers and merged with other personal data. In the case of data transfers to the USA, there is a risk that this data will be accessed by US authorities without notification and without any legal remedy. With your consent, you also agree to this data transfers to the USA. For more information on the cookies we use, their purposes and storage periods, please refer to our privacy notice at: www.heinzmann-turbine-controls.com/privacy-policy.