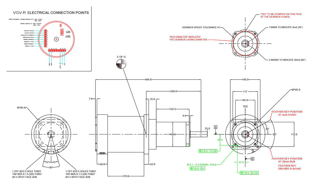
Air control is becoming more and more necessary to meet the emission requirements for operational GTs. It improves the starting reliability and load flexibility of gas turbines. The tighter demands of necessary emission control call for highly accurate and responsive air control
VGV or VIGV control is vital, with OEMs adding multiple independent drives. Air bleed for compressor control and anti icing is vital.
