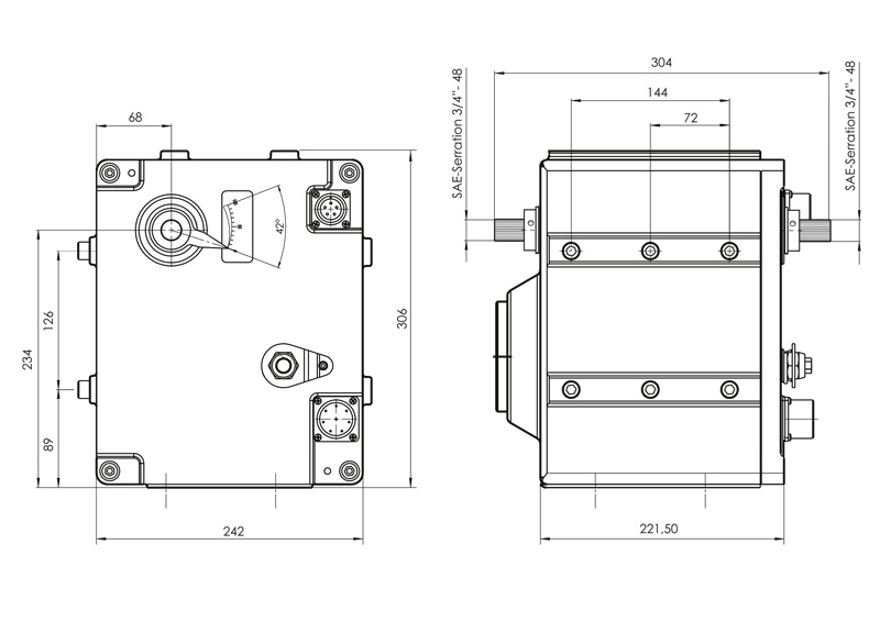
For more than 100 years, HEINZMANN has been developing and producing extremely efficient actuators with different power levels and modes of operation, covering all areas of application. Our renowned electrical and hydraulic actuators can be easily installed in any type of engine and are suitable for use as original equipment or for retrofits.
